Choosing the most suitable Predictive Maintenance Sensor for Industry 4.0
Many industrial motors work for extended periods.
Choosing the most suitable Predictive Maintenance Sensor for Industry 4.0
Many industrial motors work for extended periods.
For example, motors in chemical, food processing, and power generation plants routinely work for 20 years (and more) in continuous production applications. Some motors, unfortunately, fail to fulfil their projected functional lifetime. Such premature failure can happen due to insufficient motor operation, shoddy maintenance programs, lack of investment in PdM systems, or even the absence of a PdM system.
PdM helps maintenance engineers to identify and predict machine faults. This technique enables maintenance teams to schedule repairs and avoid unplanned downtime. Maintenance personnel use PdM to locate and repair inefficient motors, enabling increased performance, productivity, asset availability, and lifetime.

Figure1: Predictive maintenance solution
A proper selection of sensors is essential to successful PdM implementation. To select a specific sensor, you need to understand the potential failure modes of the machine. You also must be aware of the warning signs associated with these modes. Unbalance, bearing damage, cavitation (pumps), increasing machine vibration levels, increased temperature of machine components, loss or reduction of lubrication flow, and cooling water flow are typical warning signs for equipment with rotating parts.
The appropriate sensor technology can monitor each warning sign. The following content explains a few sensors you may consider for inclusion in your new instrumentation plan.
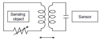
Production lines have motion-based probes mounted on them. These probes or position and movement sensors use inductive, optical, photoelectric, potentiometric (resistance-based), and other sensing methods to monitor product or machine position. Motion-detecting sensors must satisfy several criteria for their proper function. They must be durable, have low energy consumption, and be suitable for mass production to meet end-user demands. Motion-based sensors in healthcare systems use a combo of gyroscope, linear acceleration, accelerometer, and magnetometer. Proximity sensors detect an object's presence without any physical contact. These sensors can be magnetic, capacitive and inductive. Inductive Proximity Sensors detect magnetic loss. This loss is due to eddy currents generated by an external magnetic field on a conductive surface. An AC magnetic field is produced on the detection coil, and you can detect changes in the impedance due to the generated eddy currents on a metallic object. Other methods include Aluminum-detecting Sensors (the frequency’s phase component is detected), All-metal Sensors (where the working coil detects the impedance’s charged component only), and Pulse-response Sensors (where an eddy current is generated in pulses and detects the time change in the eddy current with the voltage induced in the coil).

Figure2: Inductive Proximity sensor
Capacitive Proximity Sensors detect variations in the capacitance between the sensor and the sensing object. The capacitance varies with distance and size of the sensing object. An ordinary Capacitive Proximity Sensor resembles a capacitor with two parallel plates, where the capacity of the two plates is detected. One plate is the object being measured (with an imaginary ground), and the other is the sensing surface of the sensor. The changes in the capacity produced between these two plates are detected. The dielectric constant of the objects determines whether they can be detected. The list of objects includes metals, water, and resin.

Figure3: Capacitive Proximity sensor
A magnet operates the reed end of the switch is a magnetic proximity sensor. The sensor turns ON when the reed switch is turned ON.

Figure4: Magnetic Proximity sensor
Vibration sensors monitor the acceleration and machine vibration, indicating a potential machine issue. A few sensors have modern fast Fourier transform signal processing to detect failures in machine components. Vibration sensors form the core of preventive maintenance and help to determine the device's condition.
Torsion (torque, rotational) sensors measure static or dynamic variables by converting a torque reaction and rotary into an electrical signal. These are present in motors, turbines, or generators. The following figure shows the Vibration sensor that may be used for bearing failures.

Figure5: vibration sensor
Acoustic sensing technology is a new application and has stimulated the demand for lower noise MEMS (micro-electro-mechanical system) and smaller acoustic sensors.
The following figure shows the components of a MEMS acoustic sensor module. A substrate supports a MEMS sensor chip for sound detection and an IC chip for signal readout. A lid covers the whole arrangement.

Figure6: MEMS acoustic sensor
This group of sensors uses microphone devices to detect sound. When a sound sensor detects a sound, it creates a current or voltage. This voltage is proportional to the sound level. Sound sensors use machine learning (ML) techniques to estimate relevant information, such as the character of an object and its location.
Ultrasonic sensors are non-contact devices that use the flight of the sound wave greater than the human audible range, typically 40KHz or greater. Ultrasonic transmission and reception uses piezoelectric ceramics. The presence of an object is detected by measuring the magnitude and time delay of ultrasonic waves generated by the ceramic material to determine the distance from the sensor to the object being measured
You can use ultrasonic waves for stable detection of transparent objects, such as plate glass and transparent films, using Through-beam or Reflective Sensors.
Pressure, Force, Touch, and Tension Sensors
Pressure sensors measure the pressure differences in the objects or environment to be measured. The changes are detected based on barometric, piezoelectric, capacitive, optical, or resonant sensing principles. Bourdon tubes, diaphragms, pressure gauges, or manometers are such types of sensors.
Tensile sensors help monitor the belt's deformation and movement in the automated material handling system. These sensors help in intelligent condition-based maintenance. Force sensors monitor tensile and compressive force signals and translate them into an output electric signal. Load cells, strain gauges, or sensing resistors use force sensors. Piezoelectric and magnetostrictive technologies are in widespread use. Force sensors can also monitor pneumatic and hydraulic forces.
Machine vision technology has enabled the development of advanced autonomous vehicles, intelligent systems, and robotics. Including optical sensor input into the systems helps them arrive at quality decisions. Images represent the captured visual data, with an ML algorithm powering the digitisation process. The three-dimensional (3D) sensors represent a new method of sourcing technical information. These sensors can find and calculate the extent of wear of the subject material. Three-dimensional data offers richer information and can detect any deviation from the subject’s original measurements
Infrared (IR) sensors work on optical principles and can be divided into reflective and transmissive IR sensors. In reflective IR sensors, the transmitter and detector face the object and are adjacent. Transmissive sensors use LED and photodiodes to detect whatever passes between them.
Temperature sensors detect changes in machine conditions or critical states in the factory (especially in hazardous environments). The sensors can acquire temperature information directly (resistive temperature detectors, thermistors, and thermocouples) or indirectly (infrared sensors). A few sensors have built in temperature displays. The temperature and humidity measuring probes comprise another sensor group. The material composition of these unique sensors allows their use in disposable wearable devices and medical implants. Other applications include accurate scans of internal organs and biological tissues. These sensors are also present in the food and textile industries.
Flow sensors can analyse the cooling water and lubrication flow rate. These sensors use magnetic, ultrasonic, or thermal detectors to monitor the flow intensity inside the pipeline. Oil particle sensors can monitor contamination levels inside lubrication systems (for example, gearboxes). These sensors change the pollution level based on the processed number of substances. The sensor uses a laser beam and a photodetector to analyse the light intensity.
Humidity (moisture) sensors diagnose water content in oils and are generally installed inside lubrication or hydraulic tanks. These sensors prevent machines from corrosion. Humidity sensors have a critical function in automated manufacturing processes. They help achieve the desired environment through detection, monitoring, and regulation of the humidity in fluctuating conditions. Moisture detecting sensors find use in agriculture as a monitoring device. They are a tool for determining soil moisture during irrigation. These sensors are helpful in corrosion diagnostics in infrastructure and construction.
Figure 7 shows an E8FC Flow and temperature sensor can be used to detect signs of abnormalities in cooling water and hydraulic oil by simultaneously measuring flow and temperature.

Figure7: Flow sensor
The purpose of energy and current measurement sensors is to measure the amount of current a machine draws. These sensors are in use across industries. One of the methods for measuring the current flowing through wires is to use current transformers (CTs). The CTs apply the principle of transformers.
In a current transformer, the primary of a CT typically has only one turn, which the current-carrying conductor is passed through its central core. It only has few turns in its primary. The secondary of the transformer has many turns depending upon the magnitude of the current to be stepped down. The secondary coil is wound around a laminated ferromagnetic core and the measurement devices can be connected to its terminals. Figure 8 shows the current sensor device that may be used for “comprehensive current diagnosis”. It can monitor not only motor problems but also abnormal load-side conditions.

Figure8: current diagnosis